• Modelers Alliance has updated the forum software on our website. We have migrated all post, content and user accounts but we could not migrate the passwords.
    This requires that you manually reset your password.
    Please click here, http://modelersalliance.org/forums/login to go to logon page and use the "Forgot your Password" option.

Charlie Still Don't Surf! AH-1G References

Sharkmouth

Information Overload
Staff member
Covers for AH-1G and AH-1Q (not 'Nam):
Covers TM 55-1520-221-20 Figure 1-7.jpg

Engine Control Panels, note the serial range.
Engine Control Panel TM 55-1520-221-10 C-2 Figure 2-7.jpg


Pilot's Station, note the serial range:
Pilot Station TM 55-1520-221-10 C-2 Figure 2-8a.jpg
Pilot Station TM 55-1520-221-10 C-2 Figure 2-8b.jpg
Pilot Station TM 55-1520-221-10 C-2 Figure 2-8c.jpg
Pilot Station TM 55-1520-221-10 C-2 Figure 2-8d.jpg


Gunner's Station, note the serial range:
Gunner Station TM 55-1520-221-10 C-2 Figure 2-9a.jpg

Gunner Station TM 55-1520-221-10 C-2 Figure 2-9b.jpg

Environmental Control System (ECS) from 1967 manual:
1632414022999.png


ECS from 1975 manual, note that there is a nozzle through the panel which was not in the earlier one:
1632414092901.png



This is ONLY the start... I hope to cover changes both production and markings.

Oh yeah... I know there is no new Charlie Still Don't Surf campaign and no, I am not volunteering! :P

Regards,
 
Michael A. on ARC Forums:

"A single vertical fin position light was on all aircraft prior-to and including 67-15701

Two position lights were added to the tail boom, one on each side of tail boom, with 68-15053 and all subsequent aircraft

Nose mounted landing lights on all aircraft prior-to and including 67-15489

A single belly mounted landing light was installed on 67-15490 and all subsequent aircraft

Tinted Windscreens:
The decision was taken around May 68 use clear canopies on all Cobras and do away with the blue tinted canopies.

UHF/VHF Antenna: Likewise, in Jun 68 the decision was taken to move the UHF/VHF antenna to the lower side of the tail boom. This provided for a significant increase in range for these radio systems.

UHF/VHF Antenna in the 'doghouse' on all production aircraft prior-to and including 68-15052

UHF/VHF antenna on the tail boom on 68-15053 and all subsequent aircraft

Tractor Tail Rotor:
AH-1G, 66-15283 was the test aircraft for the Tractor Tail Rotor evaluation. Tests were conducted between Aug 68 and May 69 at which time the change was approved.

Note: Sometime after the implementation of this change on new construction aircraft older aircraft that were being repaired / rebuilt began receiving the new tail boom and Tractor Tail Rotor. I have yet to determine if this was only accomplished at CONUS Level Depots or could be accomplished at higher echelon maintenance facilities in Vietnam. A close reference check for individual aircraft is needed here.

EDIT: Thanks to Gary @centaur567 , we know that the change was done in country.


Wide Cord Tail Rotor: In Aug 73 test concluded that a wider cord tail rotor would help improve the Cobra low speed / hovering capability. AH-1G, 71-20985 was used in this test and as a result a \wider tail rotor cord.

Tests were conducted on changing the tail rotor from on sided to the other in late 1968 and early 1969. Approval for this change was promulgated in May of 1969."

From Rob Mignard (used with permission) on ARC Forums:
1632496888415.png
"This is 68-15051, the 594th Cobra built; a 361 Aerial Escort Company G model at the Volcano LZ near Duc Lap in November, 1969. It has a blue canopy and there is no Environmental Control System inlet. Additionally, the VHF blade antenna is not present on the underside of the tail boom. It's worn OD overall. The 90 degree gearbox cover has been replaced, and it's still in zinc chromate. The skids are black. There are no technical markings visible. It carries the standard conspicuity markings from that era; orange on the front half of the surfboard, orange on the tops of the sync elevators, the top of one rotor blade painted white, and the top of the opposite blade painted black. The tail rotor is flat OD with yellow tips. The red, white, and blue rings on the tail boom are 17th Combat Aviation Group markings. The tops of the sync elevators carry “52” in black on the left sync elevator and “361” in black on the right sync elevator (52nd Combat Aviation Battalion, 361 Aerial Escort Company) a common practice for 1st Aviation Brigade helicopters. The crew chief’s name (L. Sciapo) is hand painted on the nose in white. You'll also notice that the front cross tubes have the fairings installed and the rear cross tubes do not. The “last 3” are carried on the vertical stabilizer in yellow. Notice that the "5" is in fact an upside down and backwards "2". It carries a minigun in the right bay of the turret, and a 40mm grenade launcher in the left bay. Two XM-200 19-shot pods and two XM-158 7-shot pods are carried on the wing pylons. This loadout was ubiquitous at time. It has the original pusher tail rotor. Also notice the sand shields on the rotor head."

Also from Rob Mignard, on ARC Forums:

"Here's an article from "The Hawk" magazine (published by 1st Aviation Brigade Public Affairs). It shows early Cobras deployed in Vietnam. There's LOTS of interesting detail in this article. All of the Cobras have blue canopies; no ECS inlet, TAT 101 single weapon turrets, faired skid tubes; "headlights," black/red/white tail rotor, and the original pusher tail rotor. Note that there is no standardization of markings. The white stripes on the top surface of the main rotors, and the orange on top of the synchronized elevators are "Conspicuity" markings; note that here also there is no standardization. Due to the large number of fighter vs. helicopter midair collisions, an effort was taken to make the helicopters more visible to fast movers. Conspicuity markings changed throughout the war. The top two photos on the second page "appear" to show both the twin headlights and belly landing light on the same aircraft. I was under the impression that you'd never see the two systems together. Never say never! The ordnance is two XM-157 7-shot rocket pods on the inboard pylons, and two XM-200 19-shot rocket pods on the outboard pylons (by 1969, the 19 shot pods were moved inboard and the 7 shot pods outboard).

Despite direction on painting and markings; most Cobra units had their own marking scheme. Again, let me state that you need to carefully study the data you have; Cobras were continually changed and upgraded during their Vietnam service."

1632497026493.png


1632497089256.png


1632497123850.png


1632497150847.png


My thanks to Rob Mignard and Michael A.

Regards,
 
Last edited:
This is fantastic. I just picked up a Vietnam Cobra in 1/72 scale, I'll do it for this campaign if it starts again.
 
AZ Hobby also makes one which is more accurate in fuselage cross section and doesn't have the 'fat' tail (too wide when viewed from above). However, I came across the Special Hobby for only $5 each and, combined with the ANCIENT but accurate Monogram kit, my small scale collection 'seemed' done.


Regards,
 
Last edited:
Nice. You'll like it. Take your time with it as there are some little fiddly bits and the canopy is a 5 piece affair. But it's nicely detailed and the parts fit well with a bit of care...even the canopy. I actually ended up with a second one after botching up a couple of the decals on the first go. Speaking of the decals, they are thin and the adhesive is pretty good so make sure you keep a nice wet surface for adjustments else risking some tearing. But they snuggle down well.

Edit: 1 other thing I just remembered...if it's the Vietnam boxing, choose your scheme before you start and pay attention to which skids are on which scheme, as there was a change over to the fairing skids later on. The kit also provided for both port & stbd tail rotor orientation...another thing to watch for.
 
Thanks Chris! Looks like I'll have to determine what I'll be doing before I even start. I can only hope I can do the canopy justice with five parts!
 
NJ's Aviation Hall of Fame and Museum. This was an AH-1G 69-16437 which was upgraded to AH1-S. So using it to get some construction details correct but the actual panels from the manuals.

IMG_0129.jpg
IMG_0130.jpg


Landing light on the un-faired landing skid is a tell-tale sign that the turret was replaced for the TOW sighting...
IMG_0134.jpg


As is the replacement nose cap...
IMG_0135.jpg
IMG_0136.jpg
IMG_0138.jpg
IMG_0140.jpg
IMG_0141.jpg
IMG_0142.jpg
IMG_0144.jpg
IMG_0145.jpg
IMG_0146.jpg
IMG_0147.jpg
IMG_0151.jpg
IMG_0152.jpg
IMG_0153.jpg
IMG_0154.jpg
IMG_0155.jpg
IMG_0157.jpg
IMG_0158.jpg
IMG_0160.jpg
IMG_0161.jpg
IMG_0162.jpg
IMG_0163.jpg


Regards,
 
Wow there is a lot of deterioration in the interior. I see rust a plenty and some of the wire bundle jackets are spliting. Thanks for the photos Saul!
 
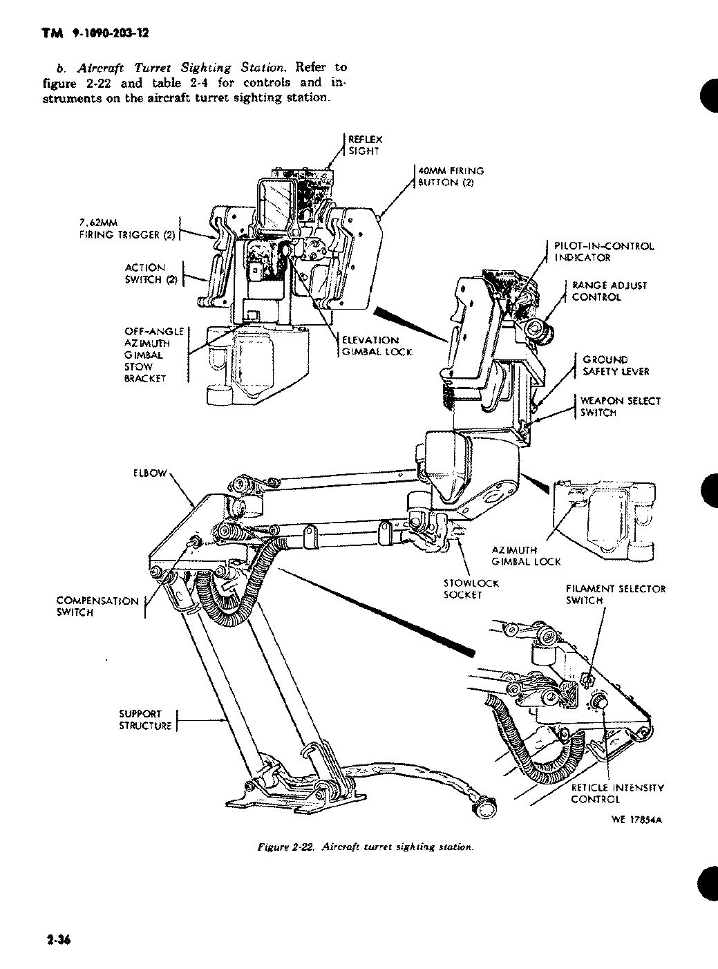
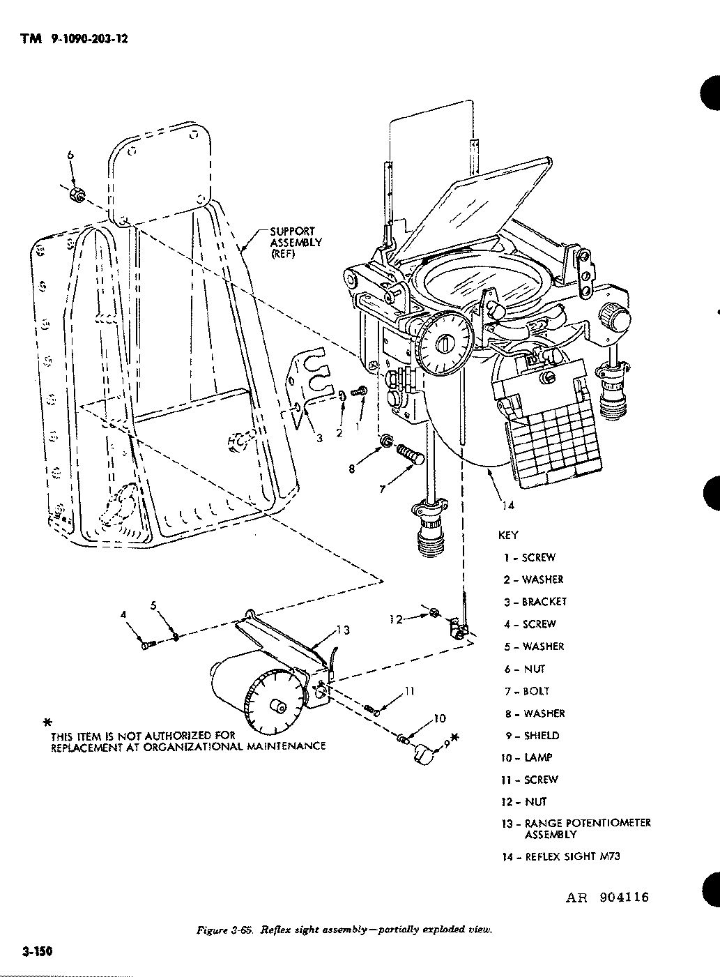
The armament sighting systems need a lot of work due to simplification.

TM 9-1090-203-12 Figure 2-22 Aircraft turret sighting station.jpg
TM 9-1090-203-12 Figure 3-65 Reflex Sight Ass.jpg


Of course, being 'information overload' means having all the pertinent manuals.

Regards,
 
Back
Top